YGL132,M117,YGL160L27,YGL180L27,YGX132M111,YGX132M121,YGX160L141,YGX132M122,YGX160L152
辊道电机减速器(JB/T 5562一1991)采取电动机和减速器直联式,由电动机直接驱动圆柱齿轮减速器或行星齿轮减速器进行传动,包括YZD、YGL、YZL、YGX、YZX五种型式,机电合为一体,结构紧凑,体积小,安装方便,可靠性高,使用寿命长。主要适用于轧机(传动比i≤12.5)及连铸机(i≥25)单独传动运输辊道,其负荷特性为启动较频繁,带负荷启动,且正、反两向运转,也可用于其他负荷相似或较轻的机械传动。工作环境温度为-40~50℃,低于0℃时,启动前应预热,高于40℃时,应采取降温措施。
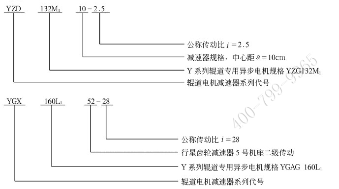
辊道电机减速器的型号与标记
(1)YZD型一YZG型电机(Y系列辊道专用三相异步电机)与单级圆柱齿轮减速器组成的辊道电机减速器。
(2)YGL型一YGAG型电机(Y系列辊道专用三相异步电机)与二级圆柱齿轮减速器组成的辊道电机减速器。
(3)YZL型一YZG型电机与二级圆柱齿轮减速器组成的辊道电机减速器。
(4)YGX型一YGAG型电机与行星齿轮减速器组成的辊道电机减速器。
(5)YZX型一YZG型电机与行星齿轮减速器组成的辊道电机减速器。
2. 标记

YZD、YGL、YZL、YGX、YZX辊道电机减速器实体模型

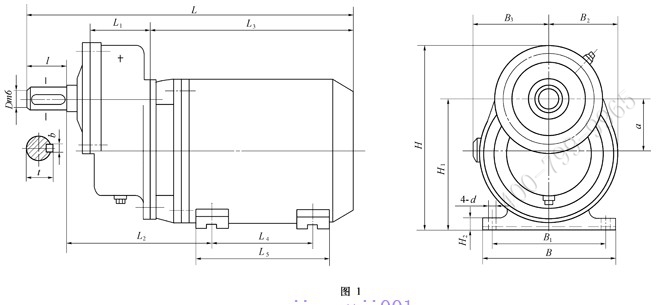
YZD型辊道减速机实体模型

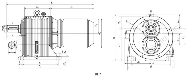
YGL、YZL型辊道减速机实体模型

YGX、YZX型辊道减速机实体模型
YZD型辊道电机减速器主要尺寸

|
型号
|
a
|
L
|
B
|
H
|
L1
|
L2
|
L3
|
L4
|
L5
|
B1
|
B2
|
B3
|
H1
|
H2
|
D(m6)
|
l
|
b
|
t
|
d
|
质量/kg
|
|
YZD112M107
|
75
|
≤480
|
250
|
330
|
85
|
192
|
305
|
140
|
235
|
190
|
125
|
125
|
190
|
15
|
35
|
58
|
10
|
38
|
12
|
70
|
|
YZD132M110
|
100
|
≤633
|
275
|
355
|
115
|
270
|
401
|
178
|
260
|
216
|
140
|
145
|
236
|
17
|
45
|
82
|
14
|
48.5
|
12
|
119
|
|
YZD132M210
|
100
|
≤633
|
275
|
355
|
115
|
270
|
401
|
178
|
260
|
216
|
140
|
145
|
236
|
17
|
45
|
82
|
14
|
48.5
|
12
|
125
|
YGL、YZL型减速器主要尺寸

|
型号
|
中心距
|
L
≤
|
B
|
H
|
L1
|
L2
|
L3
|
L4
|
L5
|
B1
|
B2
|
B3
|
H1
|
H2
|
H3
|
H4
|
H5
|
H6
|
R
|
D
(m6)
|
l
|
b
|
t
|
d
|
质量m/kg
|
|
|
高速级a1
|
低速级a2
|
|||||||||||||||||||||||||
|
YGL132M117
|
75
|
100
|
695
|
320
|
333
|
158
|
392
|
30
|
270
|
330
|
250
|
70
|
220
|
200
|
120
|
132
|
265
|
28
|
133
|
155
|
45
|
82
|
14
|
48.5
|
24
|
150
|
|
YGL132M217
|
75
|
100
|
695
|
320
|
333
|
158
|
392
|
30
|
270
|
330
|
250
|
70
|
220
|
200
|
120
|
132
|
265
|
28
|
133
|
155
|
45
|
82
|
14
|
48.5
|
24
|
160
|
|
YGL160L127
|
118
|
150
|
975
|
482
|
460
|
217
|
568
|
33
|
350
|
410
|
380
|
90
|
250
|
300
|
145
|
160
|
315
|
32
|
160
|
218
|
65
|
105
|
18
|
69
|
28
|
350
|
|
YGL180L127
|
118
|
150
|
955
|
482
|
485
|
217
|
548
|
33
|
350
|
410
|
380
|
90
|
290
|
300
|
145
|
185
|
370
|
32
|
160
|
218
|
65
|
105
|
18
|
69
|
28
|
378
|
|
YZL132M117
|
75
|
100
|
734
|
320
|
333
|
158
|
431
|
30
|
270
|
330
|
250
|
70
|
—
|
200
|
120
|
143
|
285
|
28
|
133
|
155
|
45
|
</ | ||||

江苏省泰兴减速机总厂
采购 泰兴减速机 请选择百强减速机有限公司(原 泰兴减速机总厂)
全国咨询电话: 400-710-9918 传真:0510-80212333/85516654/85508340
座机:0510-80212111/80212555/80210978/85519221/85518416/85511836
邮箱:1051532995@qq.com 地址:无锡市解放北路16号