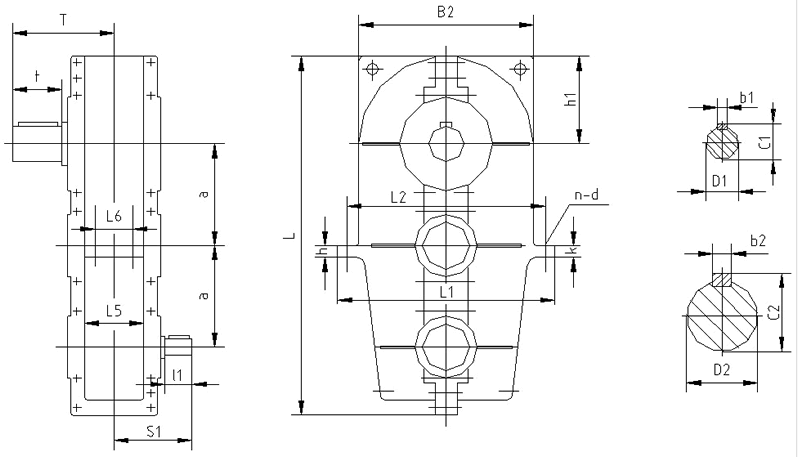
SHL 型减速器外形尺寸,见图20、表23:
图20 SHL 型减速器外形尺寸
表23 SHL 型减速器外形尺寸
|
规
格
|
中 心 尺 寸
|
轮廓尺寸
|
地 脚 螺 栓
|
高 速 轴 伸
|
低 速 轴 伸
|
质量
(kg)
|
|
a h1 h
|
L B2
|
d n k L1 L2 L5 L6
|
D1 l1 c1 b1 s1
|
D2 t T c2 b2
|
||
|
125
|
125 110 20
|
460 220
|
14 4 20 280 250 77 50
|
18j6 28 20.5 6 100
|
38k6 58 130 41 10
|
52
|
|
145
|
145 118 20
|
518 236
|
18 4 22 320 280 92 55
|
22j6 36 25 8 115
|
48k6 82 160 51.5 14
|
62
|
|
175
|
175 148 20
|
618 296
|
18 4 22 370 335 108 72
|
30j6 58 33 8 150
|
60m6 105 203 64 18
|
105
|
|
215
|
215 185 25
|
760 370
|
22 4 25 460 415 125 80
|
35k6 58 38 10 165
|
75m6 105 215 79.5 20
|
190
|

江苏省泰兴减速机总厂
采购 泰兴减速机 请选择百强减速机有限公司(原 泰兴减速机总厂)
全国咨询电话: 400-710-9918 传真:0510-80212333/85516654/85508340
座机:0510-80212111/80212555/80210978/85519221/85518416/85511836
邮箱:1051532995@qq.com 地址:无锡市解放北路16号