
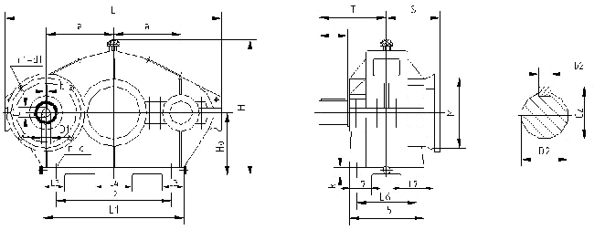
|
规格
|
中心尺寸
|
轮 廓 尺 寸
|
地 脚 螺 栓
|
输 入 尺 寸
|
低 速 轴 伸
|
参考电机 (机座号) |
质量(不含电机)kg
|
|
a Ho
|
H L L1 L5
|
d n k L2 L3 L6 L7
|
D1 b1 c1 M S n1 d1
|
D2 t T c2 b2
|
|||
|
105
|
105 100
|
201 360 230 135
|
M12 4 18 160 60 105 40
|
14H7 4 16.3 145 95 4 12
19H7 6 21.8 165 101 4 12
|
32k6 58 125 35 10
|
63
80
|
35
|
|
125
|
125 115
|
258 410 270 140
|
M12 4 20 200 60 110 40
|
19H7 6 21.8 165 103.5 4 12
24H7 8 27.3 165 113.5 4 12
|
38k6 58 130 41 10
|
80
90
|
58
|
|
145
|
145 130
|
291 475 310 175
|
M16 4 25 220 60 130 50
|
24H7 8 27.3 165 121 4 12
28H7 8 31.3 215 131 4 15
28H7 8 31.3 215 131 4 15
|
48k6 82 160 51.5 14
|
90
100
112
|
69
|
|
175
|
175 165
|
367 585 370 200
|
M16 4 25 290 80 150 50 |
28H7 8 31.3 215 146 4 15
28H7 8 31.3 215 146 4 15
38H7 10 41.3 265 166 4 15
|
60m6 105 203 64 18
|
100
112
132
|
115
|
|
215
|
215 200
|
433 690 450 240
|
M20 4 30 380 100 185 65
|
28H7 8 31.3 215 146 4 15
38H7 10 41.3 265 181 4 15
42H7 12 45.3 300 211 4 19
|
75m6 105 215 79.5 20
|
112
132
160
|
210
|
|
255
|
255 230
|
493 810 530 260
|
M20 6 35 220 100 210 70
|
38H7 10 41.3 265 190 4 15
42H7 12 45.3 300 220 4 19
48H7 14 51.8 300 220 4 19
|
90m6 130 245 95 25
|
132
160
180
|
290
|
|
300
|
300 280
|
585 960 620 300
|
M24 6 40 255 120 235 80
|
42H7 12 45.3 300 220 4 15
48H7 14 51.8 300 220 4 19
55H7 16 59 350 233 4 19
|
110m6 165 315 116 28
|
160
180
200
|
500
|

江苏省泰兴减速机总厂
采购 泰兴减速机 请选择百强减速机有限公司(原 泰兴减速机总厂)
全国咨询电话: 400-710-9918 传真:0510-80212333/85516654/85508340
座机:0510-80212111/80212555/80210978/85519221/85518416/85511836
邮箱:1051532995@qq.com 地址:无锡市解放北路16号