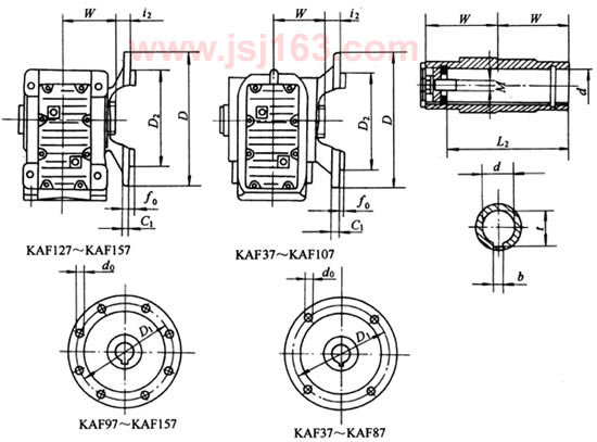
KAF37、KAF47、KAF57、KAF67、KAF77、KAF87、KAF97、KAF107、KAF127、KAF157减速机外形安装尺寸

| 型 号 | D | C1 | D1 | f0 | i2 | W | t | d0 | L2 | b | D2 (j6) | d (H7) | M |
| KAF37 | 160 | 10 | 130 | 3.5 | 24 | 60 | 33.3 | 4-ø9 | 105 | 8 | 110 | 30 | M10X25 |
| KAF47 | 200 | 12 | 165 | 3.5 | 25 | 75 | 38.3 | 4-ø9 | 130 | 10 | 130 | 35 | M10X25 |
| KAF57 | 250 | 15 | 215 | 4 | 23.5 | 83 | 43.3 | 4-ø13.5 | 142 | 12 | 180 | 40 | M16X40 |
| KAF67 | 250 | 15 | 215 | 4 | 23 | 90 | 43.3 | 4-ø13.5 | 156 | 12 | 180 | 40 | M16X40 |
| KAF77 | 300 | 16 | 265 | 4 | 37 | 105 | 53.8 | 4-ø13.5 | 183 | 14 | 230 | 50 | M16X40 |
| KAF87 | 350 | 18 | 300 | 5 | 30 | 120 | 64.4 | 4-ø17.5 | 210 | 18 | 250 | 60 | M20X50 |
| KAF97 | 450 | 22 | 400 | 5 | 41.5 | 150 | 74.9 | 8-ø17.5 | 270 | 20 | 350 | 70 | M20X50 |
| KAF107 | 450 | 22 | 400 | 5 | 41 | 175 | 95.4 | 8-ø17.5 | 310 | 25 | 350 | 90 | M24X60 |
| KAF127 | 550 | 25 | 500 | 5 | 51 | 205 | 106.4 | 8-ø17.5 | 370 | 28 | 450 | 100 | M24X60 |
| KAF157 | 660 | 28 | 600 | 6 | 60 | 250 | 127.4 | 8-ø22 | 457 | 32 | 550 | 120 | M24X60 |

江苏省泰兴减速机总厂
采购 泰兴减速机 请选择百强减速机有限公司(原 泰兴减速机总厂)
全国咨询电话: 400-710-9918 传真:0510-80212333/85516654/85508340
座机:0510-80212111/80212555/80210978/85519221/85518416/85511836
邮箱:1051532995@qq.com 地址:无锡市解放北路16号